Wand-Glas-Türscharnier 90° – matt schwarzes Quadratscharnier
Wand-Glas-Türscharnier 90° – matt schwarzes Quadratscharnier
Wand-Glas-Türscharnier 90° – matt schwarzes Quadratscharnier
Dieses Design-Türscharnier ist speziell für 8 mm Glastüren konzipiert und überzeugt durch seine moderne, quadratische Form in mattem Schwarz.
Dank des symmetrischen Sockels und des verdeckten Befestigungssystems entsteht eine elegante Optik ohne sichtbare Schrauben.
-
Material: Messingguss
-
Oberfläche: Matt schwarz, quadratische Ausführung
-
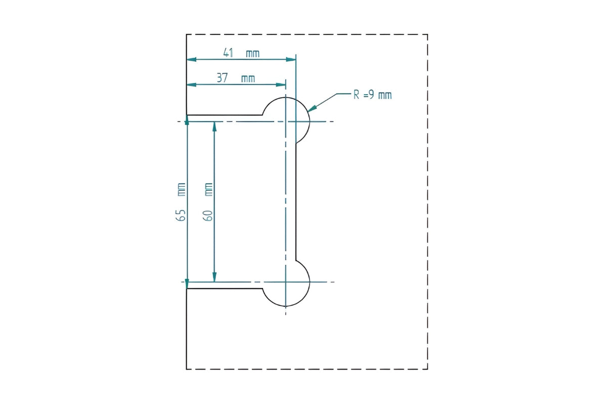
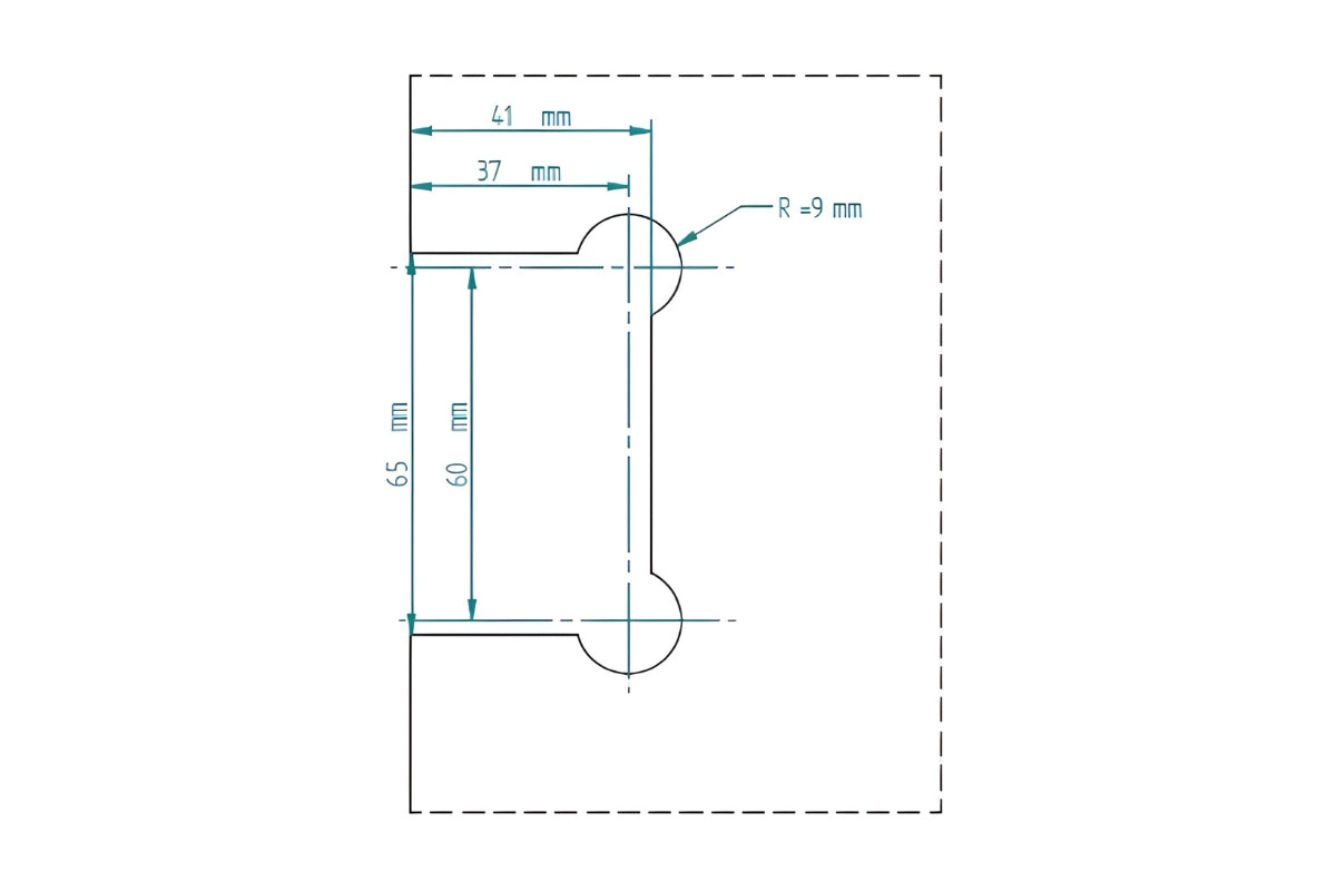
Maße: 50 × 90 mm (Türseite) / 55 × 90 mm (Wandseite)
-
Montagespalt: ca. 8 mm Abstand zwischen Glas und Wand empfohlen
-
Glasdicke: geeignet für 8 mm Glas
-
Öffnung: 90° in beide Richtungen
-
Verstellung: Justierung in den letzten 10–15° möglich (Nullstellung einstellbar)
-
Maximale Traglast: ca. 45 kg (bei Verwendung von 2 Scharnieren)
Ein stilvolles Scharnier, das technische Funktionalität mit modernem Design verbindet – ideal für hochwertige, rahmenlose Glaslösungen.
Share
